客户要求:
材质:316L不锈钢
过滤流量:16立方/小时
过滤精度:
过滤液体:导热油
杂质:油泥
工作压力:3kg
工作温度:160度
工作形式:24小时
接口:63软管进出口
我司推荐产品:
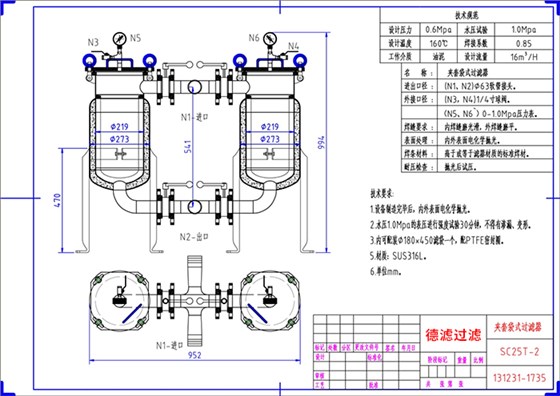
1号夹套袋式并联过滤器
316L不锈钢
软管进出口63
耐压6KG最大可耐压8KG
过滤精度:
滤袋材料:NO (芳伦)
过滤流量:18立方/小时最大20立方/小时

方案详细说明
基于贵司提供的参数,我司建议使用1号夹套式并联过滤器,为了降低过滤器的成本,采用316的50管道把过滤器并联起来,我司考虑到50的管道已经可以达到客户的流量要求,在进出口变径为63的软管接口,方便客户安装使用,夹套式的设计为确保客户要求减低过滤进行中过滤器机体的温度。
一个1液体过滤袋(φ180*450)能过滤18吨每小时,最高可达20吨每小时(以水为介质)。滤机的结构方式使用侧入式并联滤机。侧入式的结构合理,液体从侧边进料,使液体均匀的落到滤袋表面,从而不会发生液体旁漏现象。而并联式滤机,即两台滤机并联在一起,若其中一台滤机需要更换滤袋时,客户可以把其阀门关掉更换滤袋,而另外一台滤机则可以打开使用,从而不影响贵厂的在线使用要求。滤机外壳和内部的支撑滤袋的网篮都是使用316L不锈钢材质,完全符合食品使用要求。
由于贵司过滤的液体温度用160度,建议客户全用(聚四氟乙烯,芳纶)材质的过滤袋能耐高温,耐酸碱,使用寿命长等特点.

版权所有©2020-2038佛山德滤过滤器材有限公司

